發布日期:2020-02-20 17:51
山西清徐劉經理定購的商品混凝土攪拌站主機除塵器已于2015年6月20日交付使用,解決了攪拌機在生產過程中,向攪拌機內投料(粉狀物)時,對周圍環境的污染問題,經濟合理地節約了寶貴的資源。
攪拌站主機除塵器技術參數
除塵器規格:DMC-48
除塵器形式:低壓脈沖清灰
處理風量:4800 m3/h
入口溫度:< 120℃
入口含塵濃度:1000g/Nm3
濾袋規格:130×2000 mm
濾袋數量:48 條
過濾風速:1.06 m/min
過濾壓降:>1600Pa
出口含塵濃度:30mg/Nm3
電機功率:4 KW
濾袋使用壽命:2年參數規格

1.清灰原理
攪拌站除塵器是采用氣動脈沖原理,即主機除塵器工作時,通過電腦板控制,對主機除塵器內每個布袋濾芯逐個清灰,即每個布袋里面瞬間充滿氣體,布袋瞬間膨脹,把附著在布袋表面的灰塵瞬間抖落,達到清灰的目的。此外,濾芯入口處設計增壓文氏管,這樣可以二次增壓,使脈沖清灰更徹底。一次清灰率高達99.9%.一般傳統除塵器靠0.5千瓦左右的振動電機震動達到清灰目的,但清灰不徹底,浪費電,易壞,某種程度純屬擺設。主機除塵器帶有觀察門,方便檢查布袋使用情況。
2.工作原理:
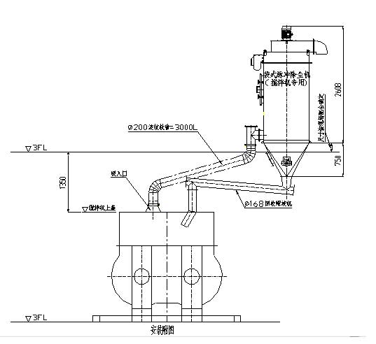
攪拌機在生產過程中,向攪拌機內投料(粉狀物),由于慣性這些粉狀物會形成粉塵,造成環境污染。布袋脈沖式除塵機可以在投料的開始(配備風機2.2KW~5.5KW,根據攪拌主機容量大小選配),吸收粉塵(3m³攪拌機一般會產生2~3kg/罐),經過除塵布袋過濾把粉塵集中在布袋脈沖式除塵機的下部漏斗,振動電機振動后,經過回收螺旋輸送機把粉塵送入攪拌機內或人工收集,不會造成二次污染。
攪抖站除塵器自身優點:
① 有利于保護環保;
② 有利于回收粉塵(節約成本);
?、?有利于觀察攪拌主機內的攪拌情況(在攪拌主機上蓋處可以安裝攝像頭);
?、?有利于攪拌機內空氣對流;
?、?在接入砼站氣泵氣體的入口處裝有油水過濾器,能使反吹清灰的高壓氣體進一步將油份水份凈化分離;
?、?整個主機除塵器的反吹清灰是由電腦板控制氣動脈沖閥,對濾芯逐一清理,O限度延長濾芯壽命?,F場只需接入一個380V的電源線和0.5~0.7Mpa的氣源即可,省電節約能源;
⑦ 嵌入式彈性袋口,密封性好,能一次性處理高達1000g/m2濃度的煙塵,排放小于50g/m3,符合O排放標準;
?、?脈沖閥數量少,清灰強度大,動作迅速;
?、?整機采用微機自動控制,各參數易于調節,可實現無崗位工操作;
?、?濾袋使用壽命二年以上;
易實現隔離檢修,除塵機相對主機運轉率100%。